VorwortIndexUnsere Simson-Kleinkrafträder haben sich in der Vergangenheit
durch ihre Zuverlässigkeit, solide Ausführung und gute technische
Konzeption in aller Welt viele Freunde erworben. Sie sind weitgehend typisiert, was nicht nur die Ersatzteilhaltung vereinfacht, sondern auch für den Reparierenden wesentliche Erleichterungen mit
sich bringt, da sich alle Motorvarianten auf einen Grundtyp, den
Motor M 53/1 KH, zurückführen lassen. Die vorliegende Reparaturanleitung kann sich also im wesentlichen auf die Behandlung dieses
Motors beschränken, während die Folgetypen nur in ihren Besonderheiten erläutert werden. Darüber hinaus beinhaltet die Reparaturanleitung die wichtigsten Arbeitsgänge an den Hauptaggregaten
der Simson-Kleinfahrzeuge. IFA-Kombinat Inhaltsverzeichnis1 Technische Daten, Diagramme, Schaltpläne 1.1 Motor - Hauptabmessungen 1.1.1 Einbauzeichnung des Motors M 52 KH (siehe Bild 1) 1.1.2 Einbauzeichnung des Motors M 53/1 (M 54/11) 1.1.3 Einbauzeichnung des Motors M 54 KF (siehe Bild 3) 1.1.4 Einbauzeichnung des Motors M 53/11 AR (siehe Bild 4) 1.2 Motordaten 1.3 Motorzubehör 1.4 Kraftübertragung 1.5 Elektrische Anlage 1.5.1 Bestückung der elektrischen Anlage 1.6 Einstelltabelle für BVF-Vergaser 1.7 Motor - Normkurven 1.7.1 Motor M 52 KH für SR 4-1 SK 1.7.2 Motor M 53/1 KFR (KH) für KR 51/1 F; KR 51/1 F (H) oder Motor M 53/11 AR für KR 51/1 S 1.7.3 Motor M 53/1 KF für SR 4-5/1 oder Motor M 54/11 KFL für SR 4-4 1.7.4 Motor M 54 KF für SR 4-3 1.8 Normal - Fahrzustandsdiagramme 1.8.1 NFD SR 4-1 SK 1.8.2 NFD KR 51/1 1.8.3 NFD SR 4-2/1 1.8.4 NFD SR 4-3 1.8.5 NFD SR 4-4 2 Allgemeine Bemerkungen 2.1 Instandsetzungsarbeiten an den Motoren 2.2 Hinweise zu Arbeiten an der elektrischen Anlage 2.3 Hinweise zur Beurteilung des Verschleißzustandes 2.4 Tabelle der zulässigen Kolben- und Zylinderpaarungen 3 Arbeiten an den Motoren 3.1 Motor M 53/1 KH mit 3-Gang-Getriebe, Kickstarter, Handschaltung, gebläsegekühlt 3.1.1 Demontage des Motors 3.1.2 Montage des Motors 3.2 Motor M 53 KFR/KF mit 3-Gang-Getriebe, Kickstarter, Fußschaltung, gebläsegekühlt 3.2.1 Arbeiten am Fußschaltmechanismus 3.3 Motor M 52 KH mit 2-Gang-Getriebe, Kickstarter, Handschaltung, fahrtwindgekühlt 3.3.1 Ausbau der Kickstarteranlage, des Schaltgetriebes und des Handschaltmechanismus 3.3.2 Montage des Schaltmechanismus und des Schaltgetriebes 3.3.3 Montage der Kickstarteranlage 3.3.4 Einregulieren der Schaltung 3.4 Motor M 54 KF (sinngemäß anwendbar für Motor M 54/11 KFL) mit 4-Gang-Getriebe, Kickstarter, Fußschaltung, fahrtwindgekühlt (gebläsegekühlt) 3.4.1 Ausbau der Kickstarteranlage, des Schaltgetriebes und des Fußschaltmechanismus 3.4.2 Montage des Fußschaltmechanismus und Schaltgetriebes 3.4.3 Fußschaltmechanismus nachregulieren (nur im Bedarfsfall) 4 Arbeiten an der Kupplungsautomatik 4.1 Demontage der Schaltbetätigung im Kupplungsdeckel 4.2 Demontage der Fliehkraftkupplung 4.2.1 Demontage des Kupplungszahnrades 4.3 Montage der Fliehkraftkupplung 4.3.1 Zusammenbau des Kupplungszahnrades 4.3.1.1 Einregulieren der Fliehkraftkupplung 4.3.1.2 Montage des Fliehkraftmechanismus 4.3.2 Einbau des Kupplungszahnrades 4.4 Montage des Kupplungsdeckels und der Schaltbetätigung 4.4.1 Kupplungsdeckel und Schaltwippe anbauen 4.4.2 Kupplungspiel einstellen und Öl einfüllen 5 Arbeiten am Vergaser 5.1 Horizontal-Nadeldüsen-Kolbenschiebervergaser 16N 5.1.1 Einzelteile der Vergaseranlage 5.1.2 Regulierarbeiten am Vergaser 5.1.2.1 Leerlauf einregulieren 5.1.2.2 Einflußnahme auf das Teil- und Vollastverhalten 5.1.2.3 Reinigen des Vergasers 5.1.2.4 Niveauprüfgerät 5.2 Nadeldüsen-Kolbenvergaser NKJ 5.2.1 Regulierarbeiten am Vergaser 5.2.1.1 Leerlauf einregulieren 5.2.1.2 Einflußnahme auf Teil- und Vollastverhalten 5.2.1.3 Reinigen des Vergasers 6 Arbeiten am Hinterradantrieb 6.1 Demontage 6.1.1 Öffnen des Kettenschutzes 6.1.2 Abnehmen der Antriebskette 6.1.3 Zerlegen des Hinterradmitnehmers 6.2 Montage 6.2.1 Zusammensetzen des Mitnehmers 6.2.2 Einsetzen des Mitnehmers in den Kettenschutz 6.2.3 Komplettieren des Hinterradantriebes 7 Arbeiten an der Innenbackenbremse 7.1 Ausbau der Bremsbacken 7.2 Demontage des Bremsschildes (Hinterrad) 7.3 Montage des Bremsschildes 7.3.1 Einfügen der Zwischenlagen für Bremsbacken 7.3.2 Bremslichtschalter montieren und einregulieren 8 Arbeiten an der Radnabe 8.1 Ausbau der Radlager 8.2 Einsezten der Radlager 9 Instandsetzung der Federbeine 9.1 Hydraulisch gedämpfte Federbeine 9.1.1 Auswechseln der Tragfedern 9.1.2 Instandsetzung der hydraulischen Stoßdämpfer 9.2 Reibungsgedämpfte Federbeine 9.2.1 Demontage des Federbeines 9.2.2 Zusammenbau des Federbeines 9.2.2.1 Montage des Reibungsdämpfers 9.2.2.2 Komplettierung des Federbeines 10 Arbeiten an der elektrischen Anlage 10.1 Schwunglichtmagnetzünder 10.1.1 Zündseite 10.1.1.1 Zündeinstellung 10.1.1.1.1 Kontrolle der Abrißstellung 10.1.1.1.2 Filzwischer, Fangfilz, Sicherheitsfunkenstrecke 10.1.1.2 Prüfwerte und Einbaumaße 10.1.2 Lichtseite 10.1.2.1 Prüfwerte und Einbaumaße 10.2 Schlußlichtdrossel 10.3 Ladeanlage 10.3.1 Teilschnittdarstellung der Ladeanlage 10.3.2 Schaltschema der Ladeanlage 10.3.3 Hinweise zur Behandlung des Halbleiter-Flächengleichrichters 10.3.4 Funktionsprüfung 10.3.4.1 Prüfung der Ladung im Fahrzeug 10.3.4.1.1 Prüfung der Sperrwirkung des Gleichrichters im Fahrzeug 10.3.4.1.2 Prüfung des Ladestromes 10.3.4.1.3 Prüfung der Batteriespannung an der Ladeanlage 10.3.4.1.4 Prüfung der Wechselspannung vor der Ladeanlage 10.3.4.1.5 Prüfung der Spannung hinter der Ladeanlage (ohne Batterieladung!) 10.3.4.2 Prüfung der Anlage außerhalb des Fahrzeugs 10.3.4.2.1 Prüfung der Sperrwirkung des Gleichrichters außerhalb des Fahrzeugs 10.4 Behandlung der Batterie 10.4.1 Batterie 10.4.1.1 Inbetriebnahme und Erstladung 10.4.1.2 Laden der Batterie im eingebauten Zustand 10.4.1.3 Laden der Batterie außerhalb des Fahrzeugs 10.4.1.4 Wartung der Batterie 11 Anhang Schaltplan 1 Technische Daten, Diagramme, Schaltpläne1.1 Motor - Hauptabmessungen1.1.1 Einbauzeichnung des Motors M 52 KH (siehe Bild 1)zum nächsten Punkt ; Index(findet Verwendung für Kleinkraftrad SR 4-1 SK) 1.1.2 Einbauzeichnung des Motors M 53/1 (M 54/11)zum nächsten Punkt ; Index(findet Verwendung in drei Varianten am Kleinroller KR 51/1 bzw. KR 51/1 F und am Kleinkraftrad SR 4-2/1 sowie als Motor M 54/11 mit außenliegender Zündspule am Kleinkraftrad SR 4-4 siehe Bild 2) 1.1.3 Einbauzeichnung des Motors M 54 KF (siehe Bild 3)zum nächsten Punkt ; Index(findet Verwendung für das Kleinkraftrad SR 4-3) 1.1.4 Einbauzeichnung des Motors M 53/11 AR (siehe Bild 4)zum nächsten Punkt ; Index(findet Verwendung im Kleinroller KR 51/1 S) |
Änderungen im Interesse der konstruktiven Weiterentwicklung vorbehalten!
Änderungen im Interesse der konstruktiven Weiterentwicklung vorbehalten!
Änderungen im Interesse der konstruktiven Weiterentwicklung vorbehalten!
Änderungen im Interesse der konstruktiven Weiterentwicklung vorbehalten!
| Baumuster | M 52 KH | M 53/1 KH; KFR; (KF) | M 54 KF | M 53/11 AR | M 54/11 KFL |
|---|---|---|---|---|---|
| Hersteller | IFA-Kombinat VEB Fahrzeug- und Jagdwaffenwerk Ernst Thälmann | IFA-Kombinat VEB Fahrzeug- und Jagdwaffenwerk Ernst Thälmann | IFA-Kombinat VEB Fahrzeug- und Jagdwaffenwerk Ernst Thälmann | IFA-Kombinat VEB Fahrzeug- und Jagdwaffenwerk Ernst Thälmann | IFA-Kombinat VEB Fahrzeug- und Jagdwaffenwerk Ernst Thälmann |
| Arbeitsverfahren | Zweitakt | Zweitakt | Zweitakt | Zweitakt | Zweitakt |
| Brennraum | halbkugelförmig | halbkugelförmig | halbkugelförmig | halbkugelförmig | halbkugelförmig |
| Maximales Drehmoment | 0,36 kpm bei 3500 U/min | 0,48 (0,45) kpm bei 5000 U/min | 0,48 kpm bei 6000 U/min | 0,48 (0,45) kpm bei 5000 U/min | 0,45 kpm bei 5000 U/min |
| Höchstleistung | 1,69 kW bei 5250 U/min ~ 2,3 PS bei 5250 U/min | 2,65 (2,5) kW bei 5750 U/min ~ 3,6 PS bei 5750 U/min | 3,38 kW bei 6750 U/min ~ 4,6 PS bei 6750 U/min | 2,65 kW bei 5750 U/min ~ 3,6 PS bei 5750 U/min | 2,5 kW bei 5750 U/min ~ 3,4 PS bei 5750 U/min |
| Verdichtungsverhältnis | 8:1 | 9,5:1 | 9,5:1 | 9,5:1 | 9,5:1 |
| Kurbelverhältnis 1:r | 4,8:1 | 4,8:1 | 4,8:1 | 4,8:1 | 4,8:1 |
| Aufhängung | 2-Punkt in Gummi | 2-Punkt in Gummi | 2-Punkt in Gummi | 2-Punkt in Gummi | 2-Punkt in Gummi |
| Schmierung | Kraftstoff - Öl - Mischung 33:1 | Kraftstoff - Öl - Mischung 33:1 | Kraftstoff - Öl - Mischung 33:1 | Kraftstoff - Öl - Mischung 33:1 | Kraftstoff - Öl - Mischung 33:1 |
| Kühlung | Luft (Fahrtwind) | Luft (Gebläse) | Luft (Fahrtwind) | Luft (Gebläse) | Luft (Gebläse) |
| Mindestkraftstoffverbrauch | 350 g/PSh bei 4500 U/min | 375 g/PSh bei 5750 U/min | 375 g/PSh bei 6625 U/min | 375 g/PSh bei 5750 U/min | 375 g/PSh bei 5750 U/min |
| Zylinderanzahl | 1 | 1 | 1 | 1 | 1 |
| Zylinderanordnung | Stehend, 30 Grad in Fahrtrichtung geneigt | Stehend, 30 Grad in Fahrtrichtung geneigt | Stehend, 30 Grad in Fahrtrichtung geneigt | Stehend, 30 Grad in Fahrtrichtung geneigt | Stehend, 30 Grad in Fahrtrichtung geneigt |
| Zylinderwerkstoff | Grauguß | Aluminium mit eingeschrumpfter Laufbuchse | Aluminium mit eingeschrumpfter Laufbuchse | Aluminium mit eingeschrumpfter Laufbuchse | Aluminium mit eingeschrumpfter Laufbuchse |
| Zylinderbohrung | 40 mm Dmr. | 40 mm Dmr. | 40 mm Dmr. | 40 mm Dmr. | 40 mm Dmr. |
| Kolbenhub | 39,5 mm | 39,5 mm | 39,5 mm | 39,5 mm | 39,5 mm |
| Gesamthubraum | 49,6 ccm | 49,6 ccm | 49,6 ccm | 49,6 ccm | 49,6 ccm |
| Zylinderdeckelwerkstoff | Aluminium | Aluminium | Aluminium | Aluminium | Aluminium |
| Abdichtung Zylinder - Zylinderdeckel | Metall auf Metall (ohne Dichtung) | Metall auf Metall (ohne Dichtung) | Metall auf Metall (ohne Dichtung) | Metall auf Metall (ohne Dichtung) | Metall auf Metall (ohne Dichtung) |
| Kolbenwerkstoff | GK AlSi20CuNi nach TGL 28376:1 | GK AlSi20CuNi nach TGL 28376:1 | GK AlSi20CuNi nach TGL 28376:1 | GK AlSi20CuNi nach TGL 28376:1 | GK AlSi20CuNi nach TGL 28376:1 |
| Kolbenringe | 2 Stück | 2 Stück | 2 Stück | 2 Stück | 2 Stück |
| Pleuelart und -länge | Doppel-T, 95 mm | Doppel-T, 95 mm | Doppel-T, 95 mm | Doppel-T, 95 mm | Doppel-T, 95 mm |
| Pleuellager | Käfiggeführtes Nadellager K 18x24x13 TGL 11553 | Käfiggeführtes Nadellager K 18x24x13 TGL 11553 | Käfiggeführtes Nadellager K 18x24x13 TGL 11553 | Käfiggeführtes Nadellager K 18x24x13 TGL 11553 | Käfiggeführtes Nadellager K 18x24x13 TGL 11553 |
| Kurbelwellenausführung | Aus Hälften zusammengepreßt | Aus Hälften zusammengepreßt | Aus Hälften zusammengepreßt | Aus Hälften zusammengepreßt | Aus Hälften zusammengepreßt |
| Kurbelwellengehäuse | Alu-Druckguß, geteilt | Alu-Druckguß, geteilt | Alu-Druckguß, geteilt | Alu-Druckguß, geteilt | Alu-Druckguß, geteilt |
| Baumuster | M 52 KH | M 53/1 KH; KFR; (KF) | M 54 KF | M 53/11 AR | M 54/11 KFL |
|---|---|---|---|---|---|
| Luftfilter | Naßluftfilter | Naßluftfilter | Trockenfiltereinsatz 30-10, TGL 39-47 | Naßluftfilter | Naßluftfilter |
| Baumuster des Vergasers | NKJ 135-1 | 16 N 1-5 (6) | 16 N 1-3 | 16 N 1-6 | 16 N 1-6 |
| Bauart des Vergasers | Nadeldüsen - Kolbenschieber - Vergaser | Nadeldüsen - Kolbenschieber - Vergaser | Nadeldüsen - Kolbenschieber - Vergaser | Nadeldüsen - Kolbenschieber - Vergaser | Nadeldüsen - Kolbenschieber - Vergaser |
| Bauart des Gebläses | - | Radialgebläse | - | Radialgebläse | Radialgebläse |
| Antrieb des Gebläses | - | Direkt durch die Kurbelwelle | - | Direkt durch die Kurbelwelle | Direkt durch die Kurbelwelle |
| Gebläseleistung | - | 0,0736 kW = 0,1 PS | - | 0,0736 kW = 0,1 PS | 0,0736 kW = 0,1 PS |
| Fördermenge | - | 38,1 m³/kWh = 28 m³/PSh | - | 38,1 m³/kWh = 28 m³/PSh | 38,1 m³/kWh = 28 m³/PSh |
| Baumuster | M 52 KH | M 53/1 KH; KFR; (KF) | M 54 KF | M 53/11 AR | M 54/11 KFL |
|---|---|---|---|---|---|
| Übersetzung Kurbelwelle - Kupplung | Schrägverzahnte Stirnräder im Übersetzungsverhältnis 3,25:1 | Schrägverzahnte Stirnräder im Übersetzungsverhältnis 3,25:1 | Schrägverzahnte Stirnräder im Übersetzungsverhältnis 3,25:1 | Schrägverzahnte Stirnräder im Übersetzungsverhältnis 3,25:1 | Schrägverzahnte Stirnräder im Übersetzungsverhältnis 3,25:1 |
| Kupplungsart | 4 - Scheiben - Lamellen - Kupplung im Ölbad | 4 - Scheiben - Lamellen - Kupplung im Ölbad | 4 - Scheiben - Lamellen - Kupplung im Ölbad | 4 - Scheiben - Lamellen - Kupplung im Ölbad | 4 - Scheiben - Lamellen - Kupplung im Ölbad |
| Schaltgetriebeart | Mechanisch, klauengeschaltet | Mechanisch, klauengeschaltet | Mechanisch, klauengeschaltet | Mechanisch, klauengeschaltet | Mechanisch, klauengeschaltet |
| Schaltgetriebeanordnung | Im gemeinsamen Motor - Getriebe - Gehäuse | Im gemeinsamen Motor - Getriebe - Gehäuse | Im gemeinsamen Motor - Getriebe - Gehäuse | Im gemeinsamen Motor - Getriebe - Gehäuse | Im gemeinsamen Motor - Getriebe - Gehäuse |
| Anzahl der Gänge | 2 | 3 | 4 | 3 | 4 |
| Übersetzung | 4:1; 2,11:1 | 4:1; 2,11:1; 1,45:1 | 4:1; 2,33:1; 1,67:1; 1,30:1 | 4:1; 2,11:1; 1,45:1 | 4:1; 2,33:1; 1,68:1; 1,29:1 |
| Schalthebelanordnung | Schaltdrehgriff am Lenker | Schaltdrehgriff am Lenker oder Fußschaltwippe (-hebel) | Fußschalthebel | Fußschaltwippe | Fußschalthebel |
| Antriebskettenrad | Z=14; für Einfach-Rollenkette 1x12,7x5,21x112 TGL 39-2295 | Z=14; für Einfach-Rollenkette 1x12,7x5,21x114 (110) TGL 39-2295 | Z=14; für Einfach-Rollenkette 1x12,7x5,21x110 TGL 39-2295 | Z=14; für Einfach-Rollenkette 1x12,7x5,21x112 TGL 39-2295 | Z=14; für Einfach-Rollenkette 1x12,7x5,21x114 (110) TGL 39-2295 |
| Getriebeöl - Einfüllmenge | 0,5 l | 0,5 l | 0,5 l | 0,5 l | 0,5 l |
| Baumuster | M 52 KH | M 53/1 KH; KFR; (KF) | M 54 KF | M 53/11 AR | M 54/11 KFL |
|---|---|---|---|---|---|
| Baumuster der Lichtmaschine | Schwunglicht - Magnetzünder | Schwunglicht - Magnetzünder | Schwunglicht - Magnetzünder mit separater Zündspule | Schwunglicht - Magnetzünder | Schwunglicht - Magnetzünder |
| Leistung der Lichtmaschine | 18 + 15 = 33W | 18 + 15 = 33W | 18 + 25 = 43W | 18 + 25 = 43W | 18 + 25 = 43W |
| Art der Regelung | Selbstregelnd | Selbstregelnd | Selbstregelnd | Selbstregelnd | Selbstregelnd |
| Antrieb der Lichtmaschine | Direkt durch die Kurbelwelle | Direkt durch die Kurbelwelle | Direkt durch die Kurbelwelle | Direkt durch die Kurbelwelle | Direkt durch die Kurbelwelle |
| Zündung | Magnet | Magnet | Magnet | Magnet | Magnet |
| Unterbrecher | Hebel, Kontaktabstand 0,4 mm | Hebel, Kontaktabstand 0,4 mm | Hebel, Kontaktabstand 0,4 mm | Hebel, Kontaktabstand 0,4 mm | Hebel, Kontaktabstand 0,4 mm |
| Zündversteller | Starr | Starr | Starr | Starr | Starr |
| Zündeinstellung | 1,5 mm v.OT | 1,5 mm v.OT | 1,5 mm v.OT | 1,5 mm v.OT | 1,5 mm v.OT |
| Wärmewert der Zündkerze | Isolator MM 14-260 | Isolator MM 14-280 | Isolator MM 14-280 | Isolator MM 14-280 | Isolator MM 14-280 |
| Elektrodenabstand | 0,4 mm | 0,4 mm | 0,4 mm | 0,4 mm | 0,4 mm |
| Fahrzeugtyp | KR 51/1; KR 51/F; SR 4-2/1 | SR 4-3 | SR 4-1 P; K; SK | KR 51/1 S | SR 4-4 |
|---|---|---|---|---|---|
| Scheinwerfer - Glühlampe | Bilux 6 V, 15/15 W | Bilux 6 V, 25/25 W | Bilux 6 V, 15/15 W | Bilux 6 V, 25/25 W | Bilux 6 V, 25/25 W |
| Standleuchte | 6 V, 2 W | 6 V, 2 W | - | 6 V, 2 W | 6 V, 2 W |
| Tachobeleuchtung | 6 V, 0,6 W | 6 V, 0,6 W | - | 6 V, 0,6 W | 6 V, 0,6 W |
| Leergangkontrollampe | 6 V, 2 W | 6 V, 2 W | - | 6 V, 2 W | 6 V, 2 W |
| Schlußleuchte | 6 V, 5 W | 6 V, 5 W | 6 V, 5 W | 6 V, 5 W | 6 V, 5 W |
| Bremsleuchte | 6 V, 18 W | 6 V, 18 W | 6 V, 18 W | 6 V, 18 W | 6 V, 18 W |
| Lenkerblinkleuchte | 6 V, 18 W | 6 V, 18 W | - | 6 V, 18 W | 6 V, 18 W |
| Bleisammler | 6 V, 4,5 Ah | 6 V, 4,5 Ah | - | 6 V, 4,5 Ah | 6 V, 4,5 Ah |
| Trockenbatterie | - | - | 4 Monozellen 1,5V | - | - |
| Schmelzeinsatz für Gleichstromverbraucher | 4 A | 4 A | - | 4 A | 4 A |
| Schmelzeinsatz für Ladeanlage | 1 A, mittelträge | 1 A, mittelträge | - | 1 A, mittelträge | 1 A, mittelträge |
| Vergasertyp | Maß- einheit | NKJ 134-3 | NKJ 153-5 | 16 N 1-1 | 16 N 1-5 | 16 N 1-3 | 16 N 1-6 |
|---|---|---|---|---|---|---|---|
| Vergaser - Nenngröße | Dmr. mm | 13 | 15 | 16 | 16 | 16 | 16 |
| Vergaseranschluß - Flanschbefestigung | mm | 6,4x40 | 6,4x40 | 6,4x40 | 6,4x40 | 6,4x40 | 6,4x40 |
| Lufteinlaßanschluß - Klemmbefestigung | Dmr. mm | 66 | 66 | 30 | 30 | 30 | 30 |
| Lage des Schwimmergehäuses | - | unterhalb | unterhalb | unterhalb | unterhalb | unterhalb | unterhalb |
| Kraftstoffanschluß | Dmr. mm | 6 | 6 | 6 | 6 | 6 | 6 |
| Anschluß zur Befestigung des Drosselorgans | - | Gestänge | Seilzug bzw. Gestänge | - | - | - | - |
| Betätigung des Starterorgans | - | Hand | Hand | Hand | Hand | Hand | Hand |
| Hauptdüse HD | 0,01 mm | 52 | 65 | 62 | 67 | 80 | 50 |
| Nadeldüse ND | 0,01 mm | 212 | 215 | 215 | 215 | 215 | 215 |
| Teillastnadel TN | - | 04 | 05 | 04 | 08 | 04 | 04 |
| Teillastnadelstellung, Kerbe von oben TNS | - | 3 | 3 | 3 | 3 | 3 | 3 |
| Drosselschieber / Höhe des Ausschnittes DS | 0,1 mm | 20 | 20 | 50 | 50 | 50 | 50 |
| Leerlaufdüse LD | 0,01 mm | - | - | 35 | 40 | 40 | 40 |
| Leerlaufluftschraube, Umdrehung geöffnet LLS | - | - | - | ~ 0,5 - 1 | ~ 0,5 - 1 | ~ 0,5 - 1 | ~ 0,5 - 1 |
| Leerlaufbohrung LB | Dmr. mm | - | - | 0,6 | 0,6 | 0,6 | 0,6 |
| Startdüse SD | 0,01 mm | - | - | 60 | 50 | 50 | 50 |
| Startluftbohrung SLBO | 0,01 mm | - | - | 350 | 350 | 350 | 350 |
| Schwimmer-Nadelventil SNV | 0,1 mm | 16 | 16 | 15 | 15 | 15 | 15 |
| Kraftstoffhöhe bei Kraftstoffsäule KH | mm:m | 4,5 + 1/0,5 | 4,5 + 1/0,5 | 7 + 1/0,5 | 7 + 1/0,5 | 7 + 1/0,5 | 7 + 1/0,5 |
Vergaser: NKJ 134-3; HD 55; ND 212; TNS 4; TN 04
Zündung: 1,5 mm v.OT
Zündkerze: MM 14-240
Verdichtungsverhältnis: 8:1
Leistung: 2,3 PS bei 5250 U/min
Drehmoment: 0,36 kpm bei 3600 U/min
Vergaser: 16 N 1-5; HD 67; ND 215; TN 08; TNS 3; LD 40
Zündung: 1,5 mm v.OT
Zündkerze: MM 14-280
Verdichtungsverhältnis: 9,5:1
Leistung: 3,6 PS bei 5750 U/min
Drehmoment: 0,48 kpm bei 5000 U/min
Vergaser: 16 N 1-6; HD 50; ND 215; TN 08; TNS 3; LD 40
Zündung: 1,5 mm v.OT
Zündkerze: MM 14-280
Verdichtungsverhältnis: 9,5:1
Leistung: 3,4 PS bei 5750 U/min
Drehmoment: 0,45 kpm bei 5000 U/min
Vergaser: 16 N 1-3; HD 82; ND 215; TN 08; TNS 3; LD 40
Zündung: 1,5 - 1,75 mm v.OT
Zündkerze: MM 14-280
Verdichtungsverhältnis: 9,5:1
Leistung: 4,6 PS bei 6500 U/min
Drehmoment: 0,48 kpm bei 6250 U/min





2 Allgemeine Bemerkungen2.1 Instandsetzungsarbeiten an den Motorenzum nächsten Punkt ; IndexDer Ausbau und die Demontage des Motors ist nur notwendig bei
Störungen
Am eingebauten Motor können folgende Instandsetzungen vorgenommen werden: Nach dem Abnehmen des Kupplungsdeckels:
Nach dem Entfernen des Elektrikdeckels und, soweit vorhanden, des Lüftergehäuses:
Nach dem Lösen der oberen Motorbefestigungsschraube (am Zylinderdeckel) sowie Abnehmen der Vergaser- und Auspuffanlage:
Selbstverständlich lassen sich auch alle Arbeiten am Vergaser sowie das Auswechseln der Bowdenzüge und der Tachometerantriebswelle bei eingebautem Motor vornehmen. Reparaturhinweise: Das Getriebeöl soll nach Möglichkeit stets bei warmen Motor
abgelassen werden. Für die Befüllung ist nur Öl der vorgeschriebenen Sorte und Viskosität zu verwenden, nämlich Getriebeöl
GL60: 2.2 Hinweise zu Arbeiten an der elektrischen Anlagezum nächsten Punkt ; IndexDie Störungssuche in der elektrischen Anlage von Kraftfahrzeugen gehört erfahrungsgemäß zu den wenig beliebten Arbeiten der
Instandsetzung. Gerade deshalb seien an dieser Stelle einige
grundsätzliche Bemerkungen gestattet. 2.3 Hinweise zur Beurteilung des Verschleißzustandeszum nächsten Punkt ; Index |
| Meßpunkte | Meßmittel | Zul. Maße | Beurteilung des Allgemeinzustandes | Regenerierungsmöglichkeit |
|---|---|---|---|---|
Zylinder![]() | Intro-Meßgerät | An den Umkehrpunkten des Kolbens darf der Nenndurchmesser des Zylinders d1 maximal mit 0,1mm überschritten werden | Sichtkontrolle der Laufbuchse auf Riefenbildung oder Beschädigungen. Sichtkontrolle des Zylinderkörpers insbesondere auf Schäden an den Dichtflächen und des Auspuffstutzens | Siehe Schleiftabelle |
Kolben![]() | Meßschraube (Mikrometer) | Kontrolle des Nenndurchmessers d2 etwa 8mm über der Kolbenhinterkante (siehe Kolbentabelle) zulässig sind max. d2-0,1mm | Beurteilung des Kolbenlaufbildes. Starke Schwächung des Kolbenhemdes deutet auf großes Laufspiel hin. Zustand der Kolbenringe beachten. | Besteht nicht. |
Kupplungsscheibe![]() | Meßschieber (Schieblehre) | b = 8 mm s = 3,3 mm | Überprüfung hinsichtlich thermischer Überbeanspruchung des Belages. Ebenheit der Kupplungsscheibe. | Besteht nicht. |
Kupplungszahnrad![]() | - | - | Zu überprüfen sind: Verschleißmarkierungen in den Nuten des Kupplungskorbes, die ~0,5mm nicht überschreiten dürfen. | Besteht nicht. |
Ritzel![]() | Meßschraube (Mikrometer) | Dicke des gequetschten Bleidrahtes entspricht dem Zahnflankenspiel. Es darf max. 0,2mm betragen. | Zu kontrollieren ist: das Zahnflankenspiel Ritzel: Kupplungszahnrad mittels Bleidrahtes, die Beschaffenheit der Zahnflanken hinsichtlich Verschleißmarkierungen und Gratbildung | Besteht nicht. |
Antriebskette![]() | Maßstab | Stützlänge 700mm Durchhang h1=180mm | Kontrolle der Kette hinsichtlich Laschenrissen und Rollenbrüchen | Besteht nicht. |
Bremsbacken![]() | Meßschieber (Schieblehre) | d3 = 123,6 mm | Zu beurteilen sind die Stirnflächen und die Oberflächenbeschaffenheit der Bremsbeläge | Einfügen der Zwischenlagen an den Stirnflächen. Neu belegen durch den Regenerierungsbetrieb |
Kurbelwelle![]() | Meßbrücke mit Meßuhren | Lagersitz d4 = 17 mm Lagersitz d5 = 17 mm Pleuelbuchse d6 = 12,06 mm Taumelschlag an der Pleuelbuchse 0,1 auf 100 mm radialer Schlag h2 = 0,05 mm | Überprüfung hinsichtlich thermischer Überbeanspruchung des Pleuellagers (Anlauffarben). Deformierung und Beschädigung des Pleuels, der Laufflächen, der Dichtringe, des Gewindes und der Keilnuten. | Besteht in Regenerierungsbetrieben (Kurbelwellendienst) |
| M 53/54 (SR 4-2; SR 4-3; KR 51) l.: Kolbendmr. r.: Zylinderdmr. | M 53/1 (SR 4-2/1; KR 51/1; KR 51/1 S; SR 4-4) l.: Kolbendmr. r.: Zylinderdmr. | M 52 (SR 4-1 SK) l.: Kolbendmr. r.: Zylinderdmr. | |
|---|---|---|---|
| Serie | 39,96 39,995-40,005 39,97 40,005-40,015 39,98 40,015-40,025 39,99 40,025-40,035 | - - 39,97 39,995-40,005 39,98 40,005-40,015 39,99 40,015-40,025 | 39,96 39,995-40,005 39,97 40,005-40,015 39,98 40,015-40,025 39,99 40,025-40,035 |
| 1. Ausschliff | 40,21 40,245-40,255 | 40,21 40,245-40,255 | 40,20 40,245-40,255 |
| 2. Ausschliff | 40,46 40,495-40,505 | 40,46 40,495-40,505 | 40,45 40,495-40,505 |
| 3. Ausschliff | 40,71 40,745-40,755 | 40,71 40,745-40,755 | 40,70 40,745-40,755 |
| 4. Ausschliff | 40,96 40,995-41,005 | 40,96 40,995-41,005 | 40,95 40,995-41,005 |
| 5. Ausschliff | 41,21 41,245-41,255 | 41,21 41,245-41,255 | 41,20 41,245-41,255 |
| 6. Ausschliff | 41,46 41,495-41,505 | 41,46 41,495-41,505 | 41,45 41,495-41,505 |
3 Arbeiten an den Motoren3.1 Motor M 53/1 KH mit 3-Gang-Getriebe, Kickstarter, Handschaltung, gebläsegekühlt3.1.1 Demontage des Motorszum nächsten Punkt ; Index
3.1.1.1. Vergaser abnehmenzum nächsten Punkt ; Index
3.1.1.2. Lichtmaschinendeckel abnehmenzum nächsten Punkt ; Index
3.1.1.3. Tachoantrieb demontierenzum nächsten Punkt ; Index
3.1.1.4. Lüfterrad abnehmenzum nächsten Punkt ; Index
3.1.1.5. Lüftergehäuse abnehmenzum nächsten Punkt ; Index
3.1.1.6. Abtriebskettenrad demontierenzum nächsten Punkt ; Index
3.1.1.7. Kickstarterhebel abnehmenzum nächsten Punkt ; Index
3.1.1.8. Schwunglichtmagnetzünder entfernenzum nächsten Punkt ; Index
3.1.1.9. Kupplungsdeckel und Halbschale abschraubenzum nächsten Punkt ; Index
3.1.1.10. Kupplung auseinandernehmenzum nächsten Punkt ; Index
3.1.1.11. Primärantrieb demontierenzum nächsten Punkt ; Index
3.1.1.12. Zylinder abnehmenzum nächsten Punkt ; Index
3.1.1.13. Motorgehäuse trennenzum nächsten Punkt ; Index
3.1.1.14. Kickstarteranlage, Schaltgetriebe und Kurbeltrieb ausbauenzum nächsten Punkt ; Index
3.1.1.15. Motorgehäuse demontierenzum nächsten Punkt ; Index
3.1.2 Montage des Motors3.1.2.1. Einsetzen der Lager und Verschlüssezum nächsten Punkt ; Index
3.1.2.2. Einsetzen des Kurbeltriebs und der Getriebewellenzum nächsten Punkt ; Index
3.1.2.3. Zusammenbau des Schaltgetriebes und der Kickstarteranlagezum nächsten Punkt ; Index
3.1.2.4. Zusammenbau des Motorgehäuseszum nächsten Punkt ; Index
3.1.2.5. Zusammenbau und Einstellen der Kupplungzum nächsten Punkt ; Index
3.1.2.6. Ausmessen des Axialspiels der Getriebe-Abtriebswelle und der Kurbelwelle sowie Aufsetzen der Dichtkappenzum nächsten Punkt ; Index
3.1.2.7. Montage von Kolben und Zylinderzum nächsten Punkt ; Index
3.1.2.8. Einbau des Schwunglichtmagnetzünderszum nächsten Punkt ; Index
3.1.2.9. Einbau des Motors in das Fahrgestellzum nächsten Punkt ; IndexGetriebe mit 0,5l Getriebeöl der Viskosität 60 cSt füllen. Deckel
für Kupplungsdeckel aufsetzen und mit den beiden Linsensenkschrauben BM4x12 befestigen.
3.2 Motor M 53 KFR/KF mit 3-Gang-Getriebe, Kickstarter, Fußschaltung, gebläsegekühlt3.2.1 Arbeiten am Fußschaltmechanismuszum nächsten Punkt ; Index
3.2.1.1. Demontagezum nächsten Punkt ; Index
3.2.1.2. Montagezum nächsten Punkt ; Index
3.3 Motor M 52 KH mit 2-Gang-Getriebe, Kickstarter, Handschaltung, fahrtwindgekühltzum nächsten Punkt ; Index
3.3.1 Ausbau der Kickstarteranlage, des Schaltgetriebes und des Handschaltmechanismuszum nächsten Punkt ; Index
3.3.2 Montage des Schaltmechanismus und des Schaltgetriebeszum nächsten Punkt ; Index
3.3.3 Montage der Kickstarteranlagezum nächsten Punkt ; Index
3.3.4 Einregulieren der Schaltungzum nächsten Punkt ; Index
3.4 Motor M 54 KF (sinngemäß anwendbar für Motor M 54/11 KFL) mit 4-Gang-Getriebe, Kickstarter, Fußschaltung, fahrtwindgekühlt (gebläsegekühlt)zum nächsten Punkt ; Index
3.4.1 Ausbau der Kickstarteranlage, des Schaltgetriebes und des Fußschaltmechanismuszum nächsten Punkt ; Index
Arretierblech mit Feder für Fußschaltung und Buchse für Fußschaltung nur ausbauen, wenn es unbedingt nötig ist. Demontage und Montage der Buchse nur bei angewärmtem Gehäuse vornehmen. Werkzeug:
3.4.2 Montage des Fußschaltmechanismus und Schaltgetriebeszum nächsten Punkt ; Index
3.4.3 Fußschaltmechanismus nachregulieren (nur im Bedarfsfall)zum nächsten Punkt ; Index
4 Arbeiten an der Kupplungsautomatikzum nächsten Punkt ; IndexZur Erleichterung der Arbeiten an der Automatik empfiehlt es sich, einen Getriebegang einzulegen. 4.1 Demontage der Schaltbetätigung im Kupplungsdeckelzum nächsten Punkt ; Index
4.2 Demontage der Fliehkraftkupplungzum nächsten Punkt ; Index
4.2.1 Demontage des Kupplungszahnradeszum nächsten Punkt ; Index
4.3 Montage der Fliehkraftkupplungzum nächsten Punkt ; Index
4.3.1 Zusammenbau des Kupplungszahnradeszum nächsten Punkt ; Index
4.3.1.1 Einregulieren der Fliehkraftkupplungzum nächsten Punkt ; Index
4.3.1.2 Montage des Fliehkraftmechanismuszum nächsten Punkt ; Index
4.3.2 Einbau des Kupplungszahnradeszum nächsten Punkt ; Index
4.4 Montage des Kupplungsdeckels und der Schaltbetätigungzum nächsten Punkt ; Index
4.4.1 Kupplungsdeckel und Schaltwippe anbauenzum nächsten Punkt ; Index
4.4.2 Kupplungspiel einstellen und Öl einfüllenzum nächsten Punkt ; Index
5 Arbeiten am Vergaser5.1 Horizontal-Nadeldüsen-Kolbenschiebervergaser 16N5.1.1 Einzelteile der Vergaseranlagezum nächsten Punkt ; Index
5.1.2 Regulierarbeiten am Vergaser5.1.2.1 Leerlauf einregulierenzum nächsten Punkt ; IndexVor der Regulierung Zündkerze auf Zustand und richtigen Elektrodenabstand überprüfen. Die Leerlaufdüse muß einwandfrei
sauber sein. Leerlaufregulierung an betriebswarmer Maschine
ausführen. 5.1.2.2 Einflußnahme auf das Teil- und Vollastverhaltenzum nächsten Punkt ; IndexHauptdüse größer:
5.1.2.3 Reinigen des Vergaserszum nächsten Punkt ; IndexDie Hauptdüse ist nach dem Lösen der Verschlußschraube zugänglich. Düsen niemals mit harten Gegenständen reinigen.
Die Bohrung einer Düse niemals nacharbeiten. Bei notwendiger
Bestückungskorrektur Originaldüse anderer Abmessung verwenden. 5.1.2.4 Niveauprüfgerätzum nächsten Punkt ; Index
5.2 Nadeldüsen-Kolbenvergaser NKJzum nächsten Punkt ; Index
5.2.1 Regulierarbeiten am Vergaser5.2.1.1 Leerlauf einregulierenzum nächsten Punkt ; IndexDer NKJ-Vergaser besitzt kein besonderes Leerlaufsystem. Die
Einregulierung der Leerlaufdrehzahl wird mir Hilfe der LeerlaufAnschlagschraube vorgenommen.
5.2.1.2 Einflußnahme auf Teil- und Vollastverhaltenzum nächsten Punkt ; IndexDie Hauptdüse wirkt von ¾ geöffnetem Gasschieber bis Vollast. Von ¼ bis ¾ Gasschieberöffnung wird das Kraftstoff-Luft-Gemisch durch die Nadeldüse und die Teillastnadel bestimmt. Für evtl. Korrekturen gilt das unter 5.1.2.2 Gesagte. 5.2.1.3 Reinigen des Vergaserszum nächsten Punkt ; IndexDie Hauptdüse kann gesäubert werden, ohne daß die Demontage des Vergasers nötig ist. Sie wird zugänglich, wenn die seitlich angebrachte Düsenhalteschraube entfernt wurde. Eine Ausnahme bildet der Vergaser 135-1. Bei diesem Typ sind Haupt- und Nadeldüse zu einem Stock vereinigt. 6 Arbeiten am Hinterradantrieb6.1 Demontagezum nächsten Punkt ; Index
6.1.1 Öffnen des Kettenschutzeszum nächsten Punkt ; Index
6.1.2 Abnehmen der Antriebskettezum nächsten Punkt ; Index
6.1.3 Zerlegen des Hinterradmitnehmerszum nächsten Punkt ; Index
6.2 Montage6.2.1 Zusammensetzen des Mitnehmerszum nächsten Punkt ; Index
6.2.2 Einsetzen des Mitnehmers in den Kettenschutzzum nächsten Punkt ; Index
6.2.3 Komplettieren des Hinterradantriebeszum nächsten Punkt ; Index
7 Arbeiten an der Innenbackenbremse7.1 Ausbau der Bremsbackenzum nächsten Punkt ; Index
7.2 Demontage des Bremsschildes (Hinterrad)zum nächsten Punkt ; Index
7.3 Montage des Bremsschildeszum nächsten Punkt ; Index
7.3.1 Einfügen der Zwischenlagen für Bremsbackenzum nächsten Punkt ; Index
7.3.2 Bremslichtschalter montieren und einregulierenzum nächsten Punkt ; Index
8 Arbeiten an der Radnabe8.1 Ausbau der Radlagerzum nächsten Punkt ; Index
8.2 Einsetzen der Radlagerzum nächsten Punkt ; Index
9 Instandsetzung der Federbeine9.1 Hydraulisch gedämpfte Federbeine9.1.1 Auswechseln der Tragfedernzum nächsten Punkt ; Index
9.1.2 Instandsetzung der hydraulischen Stoßdämpferzum nächsten Punkt ; IndexDie von uns verwendeten Teleskopstoßdämpfer arbeiten nach dem
Prinzip doppeltwirkender Zweirohr-Stoßdämpfer (System
‘Hartha’).
Der Teleskopstoßdämpfer bedarf keinerlei Pflege. Die Gummielemente zur Befestigung des Stoßdämpfers dürfen nicht mit Fett in Berührung gebracht werden. Nach jeweils 3000 km Fahrstrecke ist die ordnungsgemäße Befestigung am Fahrzeug und das Mantelrohr auf Ölspuren als Zeichen von Undichtheit zu überprüfen. Zur Kontrolle der eingestellten Dämpfkräfte sind Spezialprüfgeräte erforderlich, die eine reproduzierbare Aufzeichnung (Diagramm) des Dämpfungsverlaufes zulassen. Verlauf und Größe der Dämpfkraft sind für die Fahreigenschaften ausschlaggebend. Prüfung von Hand sind nicht zulässig, da auf diese Weise nicht festgestellt werden kann, ob über den gesamten Arbeitshub Dämpfwirkung vorhanden ist oder nicht. Diese Kontrolle muß bei vertikaler Stellung der Stoßdämpfer erfolgen. Transport- oder lagerungsbedingt kann es vorkommen, daß beim Auseinanderziehen der Teleskopstoßdämpfer ein ‘Leerhub’ zu spüren ist. Durch mehrmaliges ‘Pumpen’ in der Einbaulage des Stoßdämpfers kann das in den Reserveraum gelangte Öl wieder in den Zylinder gefördert werden. Kennwerte des Stoßdämpfers |
| Stoßdämpfertyp | C 22-70 F -25/5 | C 22-70 G -13/5 |
| Verwendung | hinten | vorn |
| Dämpfkraft | ||
| Zugrichtung in kp | 28 +/- 5 | 16 +/- 5 |
| Druckrichtung in kp | 5 +/- 3 | 5 +/- 3 |
| Länge | ||
| zusammengeschoben in mm | 294 | 256 |
| auseinandergezogen in mm | 338 | 309 |
| Ölfüllmenge in ccm | 52 +/- 3 | 52 +/- 3 |
| Prüfdrehzahl in U/min | 100 | 100 |
| Prüfhub | 40 | 40 |
Funktionsstörung und deren Uraschen:
9.2 Reibungsgedämpfte Federbeine9.2.1 Demontage des Federbeineszum nächsten Punkt ; Index
9.2.2 Zusammenbau des Federbeines9.2.2.1 Montage des Reibungsdämpferszum nächsten Punkt ; Index
9.2.2.2 Komplettierung des Federbeineszum nächsten Punkt ; Index
10 Arbeiten an der elektrischen Anlage10.1 Schwunglichtmagnetzünderzum nächsten Punkt ; Index
Die Schwungscheibe enthält sechs oxidkeramische Dauermagnete,
die weder einer Nachmagnetisierung nach bei abgebauter
Schwungscheibe eines magnetischen Kurzschlusses bedürfen. Die
Nabe der Schwungscheibe ist als Unterbrechernocken ausgebildet.
Sie ist außerdem mit dem Gewinde für die Vorrichtung zum Abziehen der Schwungscheibe von der Kurbelwelle (M27x1,25)
versehen.
Die Zündzuleitung ist mit dem Zündspulenanschluß in der Hochspannungsdurchführung mit Hilfe eines Verbindungsbleches, das als Sicherheitsfunkenstrecke ausgebildet ist, verbunden. Folgende Farbabweichungen der Grundplattenverkabelung sind möglich:
10.1.1 Zündseitezum nächsten Punkt ; Index
10.1.1.1 Zündeinstellungzum nächsten Punkt ; Index
10.1.1.1.1 Kontrolle der Abrißstellungzum nächsten Punkt ; Index
10.1.1.1.2 Filzwischer, Fangfilz, Sicherheitsfunkenstreckezum nächsten Punkt ; Index
10.1.1.2 Prüfwerte und Einbaumaßezum nächsten Punkt ; Index
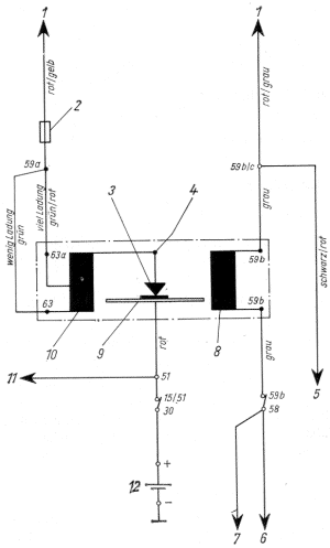
Beide Lichtspulen müssen dabei gleichzeitig nach der Tabelle im
Abschnitt 10.1.2.1 belastet sein. 10.1.2 Lichtseitezum nächsten Punkt ; Index15- (25-)W-Lichtspule (ohne Anzapfung zwischen Unterbrecher
und Kondensator angeordnet). 10.1.2.1 Prüfwerte und Einbaumaßezum nächsten Punkt ; IndexFür eine Prüfung der Lichtseite des Zünders im Fahrzeug ist eine orientierende Spannungskontrolle an den Leitungsklemmen 59 und 59 b,c möglich (z.B. mit Prüflampe 6V,15W, abgeschlossenen Leitungen 59 bzw. 59 b,c gegen Masse). Die Spannung an der Klemme 59 a wird wie folgt überprüft:
|
| Klemme Nr. | Belastungswiderstand in Ohm | Drehzahl in U/min | Spannung in V |
| 59 | 3,04 | 3000 7500 | >= 6,0 <= 7,5 |
| 59 a | keine Belastung | 3000 7500 | >= 6,0 <= 20 |
| 59 b,c | 2,53 | 3000 7500 | >= 6,0 <= 7,5 |
|
Die Spannungsmessung erfolgt mit einem Effektiv-
Spannungmesser (notfalls Vielfachinstrument). Die Widerstände
müssen induktionsfrei (bifilare Wicklung) und temperaturunabhängig (Belastbarkeit = 20W) sein. Die Zündseite muß bei diesen
Messungen mit 7mm Funkenlänge belastet werden.
10.2 Schlußlichtdrosselzum nächsten Punkt ; IndexDie Speisung des Schlußlichtes erfolgt von der Klemme 59 b,c des Schwunglichtmagnetzünders über den Zündlichtschalter Klemme 59 b und 58 und die Drossel. Der Stromkreis wird über ein besonderes Kontaktpaar beim Einschalten des Scheinwerfers automatisch mit geschlossen. Die Schlußlichtdrossel ist mit der Ladeanlage vereinigt. Sie hat die Aufgabe, das Schlußlicht (Leistungsaufnahme 5W) vor Überlastung durch die 18-W-Generatorwicklung zu schützen. Die Drosselspule arbeitet verschleißfrei. Bei Störungen ist eine Durchgangsprüfung zwischen den Drosselanschlüssen vorzunehmen. Die anzuwendende Prüfspannung soll 2V möglichst nicht überschreiten. 10.3 Ladeanlagezum nächsten Punkt ; IndexDie Ladeanlage enthält neben dem Gleichrichter, der den vom Schwunglichtmagnetzünder erzeugten Wechselstrom gleichrichtet, zwei Drosselspulen zur Anpassung des Rücklichtes (siehe auch Abschnitt 10.2) und des Halbleiter-Flächengleichrichters. 10.3.1 Teilschnittdarstellung der Ladeanlagezum nächsten Punkt ; Index
10.3.2 Schaltschema der Ladeanlagezum nächsten Punkt ; Index
10.3.3 Hinweise zur Behandlung des Halbleiter-Flächengleichrichterszum nächsten Punkt ; IndexDieses Bauelement ist empfindlich gegen Überspannung, zu hohe
Stromstärken und hohe Erwärmung. Beim Löten an der Klemme
und ganz besonders beim Auswechseln des Gleichrichters ist der
Lötkolben vom Netz zu trennen.
Einbau in umgekehrter Reihenfolge. 10.3.4 Funktionsprüfung10.3.4.1 Prüfung der Ladung im Fahrzeugzum nächsten Punkt ; IndexAls Meßinstrument können für Gleichspannung und Gleichstrom-Drehspuleninstrumente für Wechselspannung Dreheisen- oder
auch Gleichrichterinstrumente Anwendung finden. 10.3.4.1.1 Prüfung der Sperrwirkung des Gleichrichters im Fahrzeugzum nächsten Punkt ; IndexBei Motorstillstand (Zündlichtschalter auf Stellung ‘Aus’) Amperemeter mit Minusanschluß zum Gleichrichter in die Ladeleitung 51/rot einschalten (Meßbereich bis 6A), 1-A-Sicherung und richtigen Batterieanschluß überprüfen. Den Zündlichtschalter in Betriebsstellung bringen. Es darf kein Zeigerausschlag am Instrument erfolgen, andernfalls hat der Gleichrichter seine Sperrwirkung verloren und muß ausgewechselt werden. 10.3.4.1.2 Prüfung des Ladestromeszum nächsten Punkt ; IndexIn die Ladeleitung 51/rot Amperemeter mit Plusanschluß zum Gleichrichter hin einschalten. Meßbereich für 1A Gleichstrom wählen und den Motor kurzzeitig mit Höchstdrehzahl betreiben. Bei Anschluß der Leitung ‘viel Ladung’ (Klemme 63a grün/rot) muß das Instrument etwa 0,5A anzeigen. Bei Anschluß der Leitung ‘wenig Ladung’ (Klemme 63) muß das Gerät etwa 0,3A Ladestrom anzeigen. Bei negativem Ergebnis ist wie folgt weiter zu verfahren. 10.3.4.1.3 Prüfung der Batteriespannung an der Ladeanlagezum nächsten Punkt ; IndexBei Betriebsstellung des Zündlichtschalters muß am Kühlblech des Gleichrichters die Batteriespannung (Pluspol) anliegen und gegen Masse zu messen sein. Ist dies nicht der Fall, liegt der Fehler in den elektrischen Verbindungen (Ladeanlage Klemme 51 - Zündlichtschalter Klemme 5 (15/51 - 30) - Batterieanschluß - Masse) vor. 10.3.4.1.4 Prüfung der Wechselspannung vor der Ladeanlagezum nächsten Punkt ; Index (siehe Abschnitt 10.1.2.1)10.3.4.1.5 Prüfung der Spannung hinter der Ladeanlage (ohne Batterieladung!)zum nächsten Punkt ; IndexDazu Leitung 51/rot von der Klemme an der Sicherungsdose lösen und Gleichspannungsmesser mit Plusanschluß an die gelöste Leitung ankleben, Minusanschluß des Gerätes an Masse. Motor kurzzeitig auf Höchstdrehzahl bringen. Die gemessene Spannung soll zwischen 5 - 7 V liegen. Bei negativem Meßergebnis kann der Gleichrichter einen Unterbrecher haben oder in der Leitungsklemme ein Leitungsbruch vorliegen. 10.3.4.2 Prüfung der Anlage außerhalb des Fahrzeugs10.3.4.2.1 Prüfung der Sperrwirkung des Gleichrichters außerhalb des Fahrzeugszum nächsten Punkt ; IndexAn die Klemme 51/rot den Minuspol einer 2-V-Batterie anschließen. An die Klemme 63/grün den Minusanschluß des Amperemeters anschließen (Meßbereich mindestens 2A). 10.4 Behandlung der Batterie10.4.1 Batteriezum nächsten Punkt ; IndexFür unsere Fahrzeugtypen findet eine Bleibatterie (6V, 4,5Ah)
Verwendung. Sie dient zur Speisung der Gleichstromverbraucher
wie Blinkleuchten, Parkleuchten, Signalhorn und Leerganganzeige. 10.4.1.1 Inbetriebnahme und Erstladungzum nächsten Punkt ; IndexBei Inbetriebnahme einer neuen Batterie ist diese mit Akkumulatoren-Schwefelsäure mit einer Dichte von 1,28 g/ccm (in den Tropen 1,23 g/ccm) bis 1cm über den oberen Plattenrand zu füllen, nachdem zuvor die Füllverschlüsse entfernt wurden sind. Batterie zwei bis drei Stunden stehen lassen, der Säurespiegel sinkt dabei ab, dann bis zur ursprünglichen Höhe wieder Säure nachfüllen. Daraufhin wird das Laden mit der Hälfte des normalen Ladestromes (0,25A) durchgeführt. 10.4.1.2 Laden der Batterie im eingebauten Zustandzum nächsten Punkt ; IndexDas Laden der Batterie im eingebauten Zustand erfolgt von dem
wechselstromerzeugenden Schwunglichtmagnetzünder über den
Halbleiter-Flächengleichrichter. Diese Anlage wurde zum Umschalten auf viel und wenig Ladestrom eingerichtet, damit eine
gewisse Anpassung an verschiedene Betriebsarten möglich ist. Bei
Anschluß der Leitung ‘viel Ladung’ (Klemme 63a/ grün/rot) erfolgt das Laden der Batterie mit 0,5A, bei Anschluß der Leitung
‘wenig Ladung’ (Klemme 63 grün) mit 0,3A. 10.4.1.3 Laden der Batterie außerhalb des Fahrzeugszum nächsten Punkt ; IndexDas Aufladen einer leeren Batterie sollte stets außerhalb des Fahrzeugs erfolgen, weil die Ladezeit im Fahrbetrieb auch bei ‘viel
Ladung’ und Verzicht auf alle Gleichstromverbraucher viel zu
lange dauern würde. Das Laden sollte mit 1/10 der Gesamtkapazität der Batterie vorgenommen werden. Dies würde bedeuten, daß
die von uns eingebauten Batterien mit 0,45 A zu laden sind.
Die Batterie darf nur an Gleichstrom angeschlossen werden. Beim
Anschließen ist darauf zu achten, daß die gleichnamigen Pole von
Batterie und Ladeleitung miteinander verbunden werden, d.h. +
mit + und - mit -.
10.4.1.4 Wartung der Batteriezum nächsten Punkt ; IndexDie einwandfreie Funktion des gesamten Gleichstromkreises am
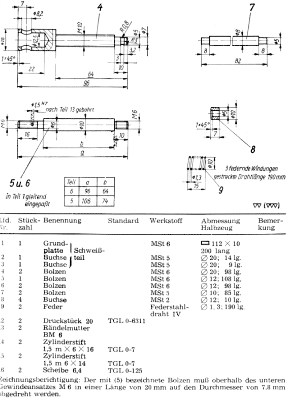
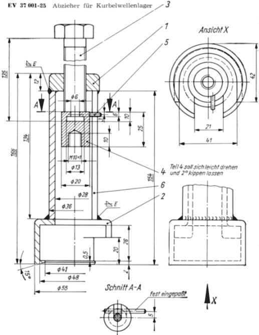
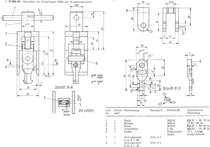
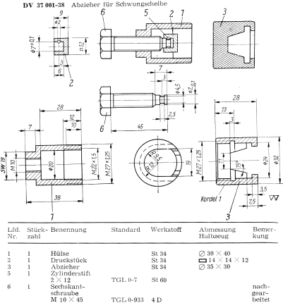
Fahrzeug hängt im entscheidenden Maße vom Zustand der Batterie ab. 11 AnhangIndexAufstellung der Sonderwerkzeuge EL 37 001-19 Parallelitätslehre zum Auswinkeln des Pleuels EV 37 001-20 Haltegabel für Kolben CV 37 001-21 Trennvorrichtung für Motorgehäuse EV 37 001-23 Haltevorrichtung für Primärzahnrad EV 37 001-24 Montagehülse für äußeren Radialdichtring (A 17x28) auf der Kurbelwelle EV 37 001-25 Abzieher für Kurbelwellenlager EV 37 001-26 Abzieher für Kugellager 6000 der Kupplungswelle EV 37 001-27 Heizpilz für Kurbelwellenlager EV 37 001-31 Einführhülse für Schaltwelle EV 37 001-32 Werkzeug für Kupplung und Kolbenbolzen ausdrücken EV 37 001-33 Einführhülse für Kolbenbolzen DV 37 001-35 Haltevorrichtung für Kupplungsmitnehmer DV 37 001-36 Halteschlüssel für Abtriebskettenrad DV 37 001-37 Halteband für Schwungscheibe DV 37 001-38 Abzeiher für Schwungscheibe DV 37 314-4 Kolbenband DV 34 401-6 Ausziehvorrichtung für Radlager EV 32 350-7 Montagehülse für Reibsegmente im Federbein EV 32 350-8 Haltegabel für Kolbenstange EV 32 350-9 Druckdorn zum Gleitrohr EV 37 129-14 Montagehülse für Kupplungsdeckel 2350 4100 00-CV 6 Werkzeug für Kupplungsautomatik Schaltplan für 'Spatz' |



























